Описание
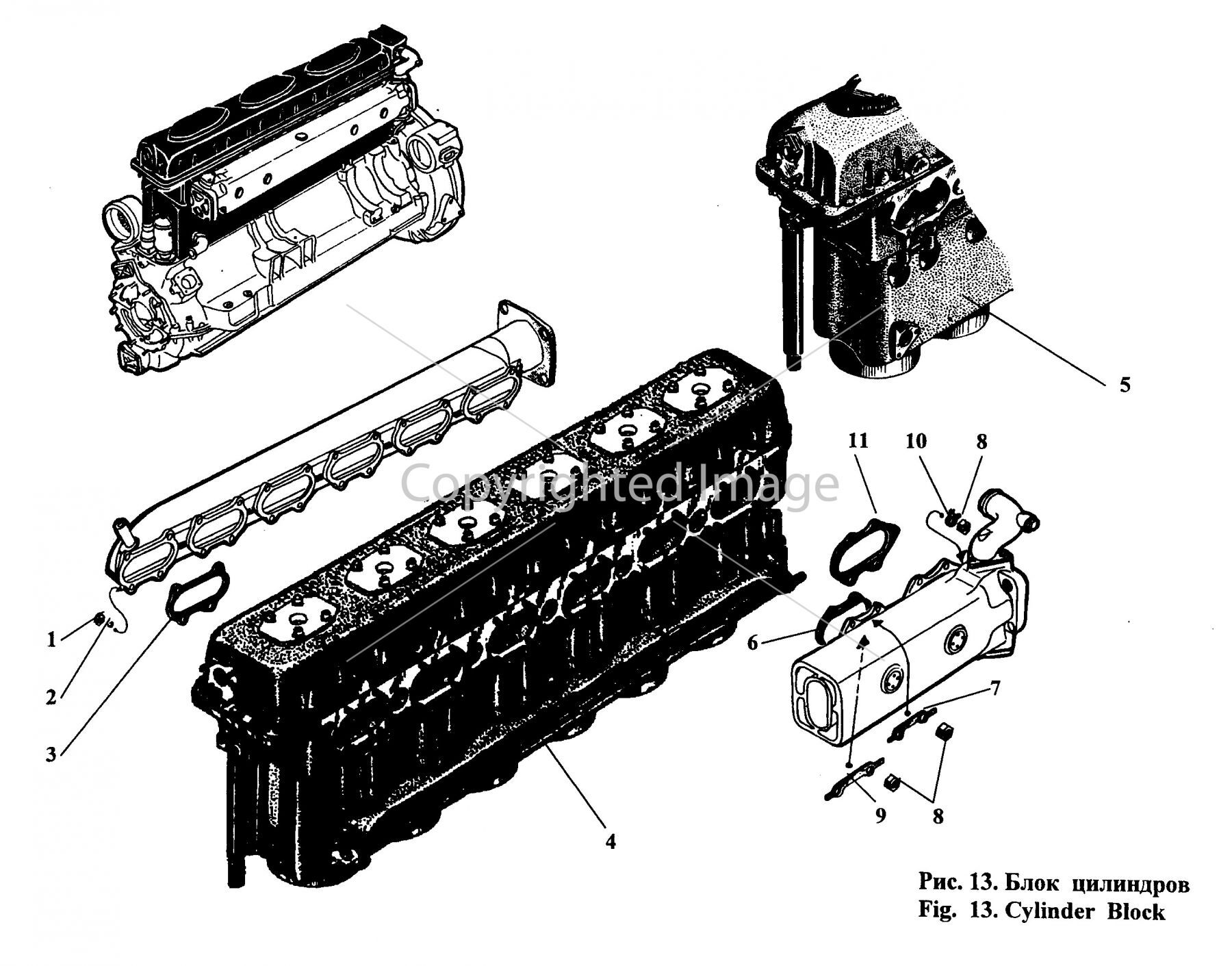
Блок цилиндров в сборе С2 СБ 1206-12-5 - это надежный агрегат, обеспечивающий долговечность работы вашего двигателя. Изготовлен из высококачественных материалов, он устойчив к высоким температурам и механическим нагрузкам. Этот блок цилиндров улучшает производительность двигателя и снижает расход топлива благодаря своей высокой эффективности.
Отзывы
Отзывов еще никто не оставлял
Аналогичные товары
