Описание
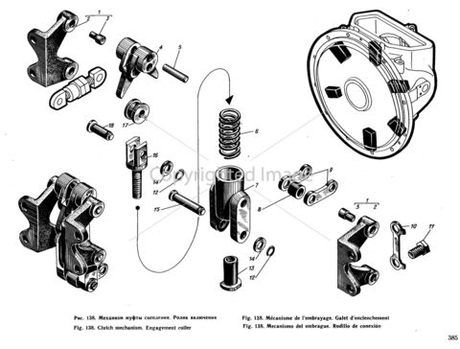
Гидроуправляемая муфта сцепления 2Д6Н, 2Д12Б СБ 526-01-14 предназначена для передачи крутящего момента от двигателя к трансмиссии. Она обеспечивает плавное включение и выключение передач, что снижает ударные нагрузки на детали коробки передач и увеличивает срок их службы. Эта модель обладает высокой надежностью и долговечностью благодаря качественным материалам и точному исполнению деталей. Использование данной муфты позволяет улучшить управляемость транспортного средства и снизить расход топлива.
Отзывы
Отзывов еще никто не оставлял
Аналогичные товары
