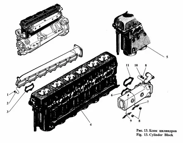
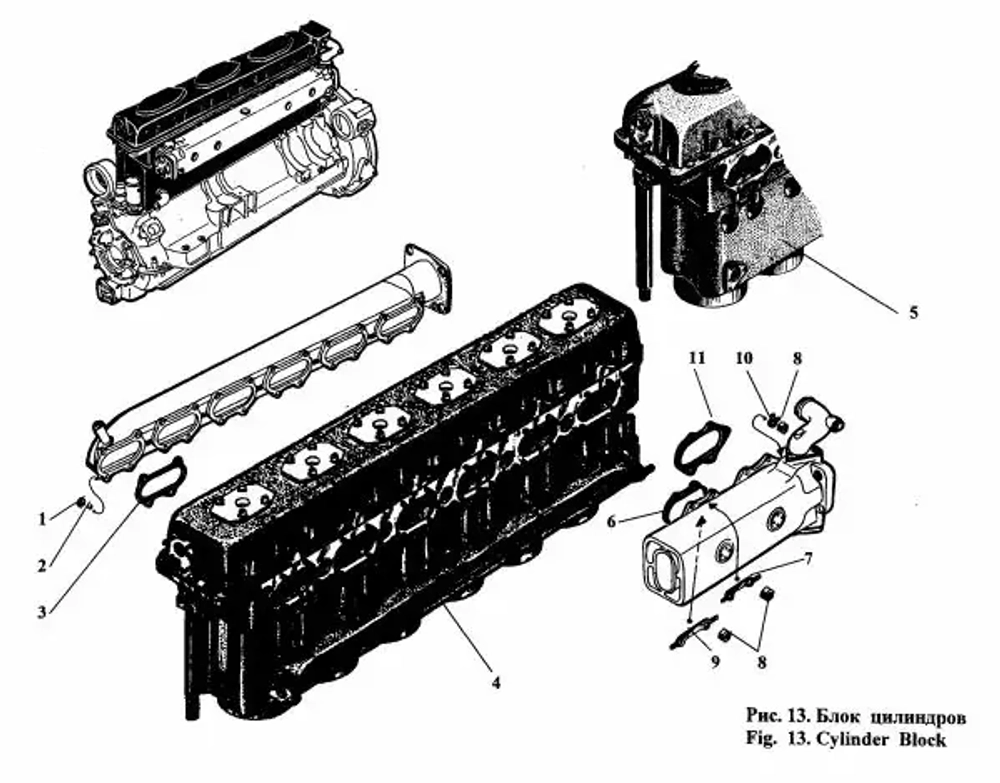
Описание
Прокладка впускного коллектора 306-89 обеспечивает надежное уплотнение и предотвращает утечку воздуха и топлива. Это способствует улучшению работы двигателя и снижению расхода топлива. Изготовлена из высококачественных материалов для долговечности и устойчивости к высоким температурам и давлению. Подходит для моделей автомобилей 2010-2015 годов выпуска.
Отзывы
Отзывов еще никто не оставлял
Аналогичные товары
