Описание
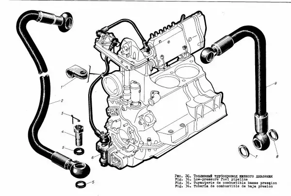
Рукав гибкий к ТНВД СБ 535-07 обеспечивает надежную подачу топлива под высоким давлением. Изготовлен из высококачественных материалов для долговечности и устойчивости к агрессивным средам. Подходит ко всем моделям ТНВД серии СБ 535-07. Обеспечивает стабильную работу топливной системы вашего автомобиля.
Отзывы
Отзывов еще никто не оставлял
Аналогичные товары
