Описание
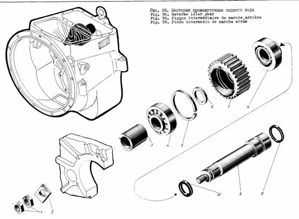
Эта шестерня предназначена для передачи движения при реверсе двигателя. Она обеспечивает надежность работы оборудования даже в самых сложных условиях эксплуатации. Изготовлена из высококачественных материалов, что гарантирует ее долговечность и устойчивость к износу. Приобретая эту деталь, вы получаете уверенность в стабильной работе вашего оборудования.
Отзывы
Отзывов еще никто не оставлял
Аналогичные товары
