Описание
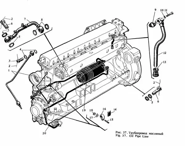
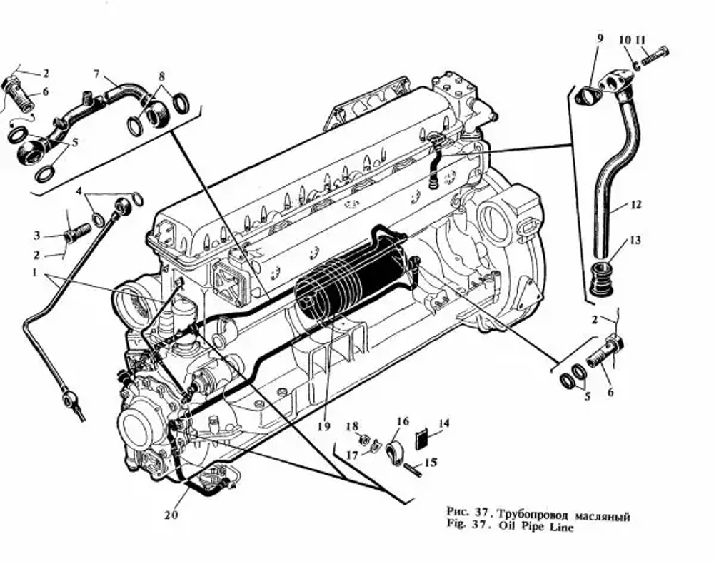
Труба от маслонасоса к фильтру Д6 СБ 520-02-10 обеспечивает надежную подачу масла, увеличивая срок службы двигателя. Изготовлена из высококачественных материалов, устойчивых к коррозии и механическим повреждениям. Легко устанавливается и подходит ко всем моделям двигателей серии Д6.
Отзывы
Отзывов еще никто не оставлял
Аналогичные товары
