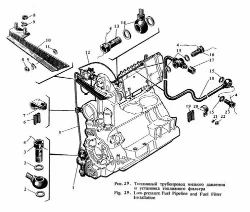
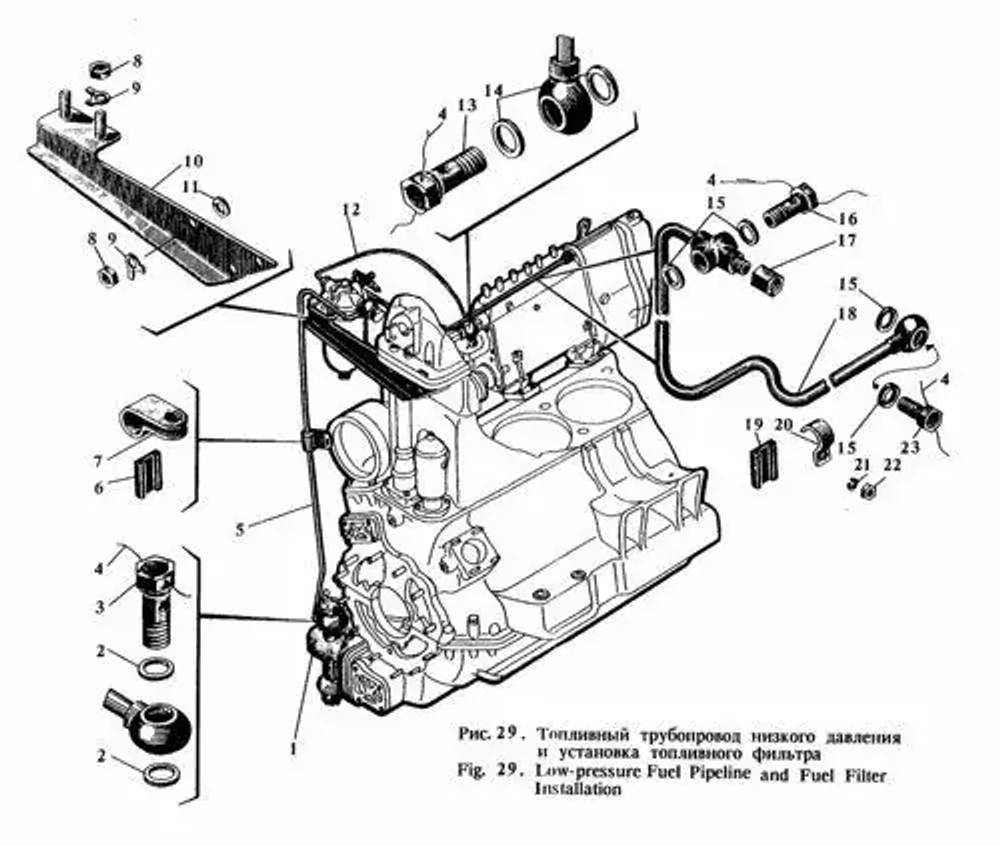
Описание
Эта трубка специально разработана для использования с топливным фильтром СБ 535-09-7. Она обеспечивает надежную подачу топлива без утечек, что продлевает срок службы вашего оборудования. Изготовлена из высококачественных материалов, устойчивых к коррозии и механическим повреждениям. Легко монтируется и имеет долгий срок эксплуатации.
Отзывы
Отзывов еще никто не оставлял
Аналогичные товары
