Описание
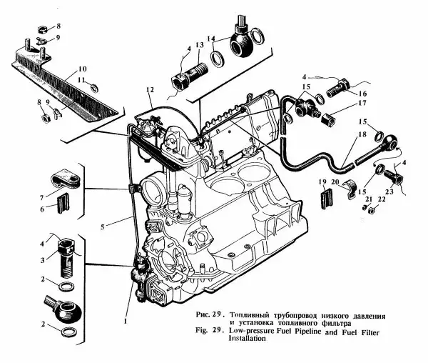
Трубка отвода топлива С2 СБ 523-95 предназначена для надежного соединения топливных систем транспортных средств. Изготовлена из высококачественных материалов, обеспечивающих долговечность и устойчивость к коррозии. Простота установки сокращает время технического обслуживания автомобиля. Обеспечьте безопасность вашего транспортного средства с трубкой отвода топлива С2 СБ 523-95!
Отзывы
Отзывов еще никто не оставлял
Аналогичные товары
