Описание
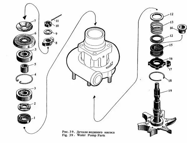
Кольцо упорное 511-99 обеспечивает надежную фиксацию и устойчивость конструкции, увеличивая ее долговечность и безопасность эксплуатации. Изготовленное из высококачественных материалов, оно обладает высокой стойкостью к коррозии и механическим повреждениям, что гарантирует его долгосрочную работу даже в сложных условиях окружающей среды.
Отзывы
Отзывов еще никто не оставлял
Аналогичные товары
