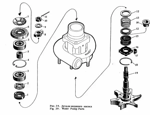
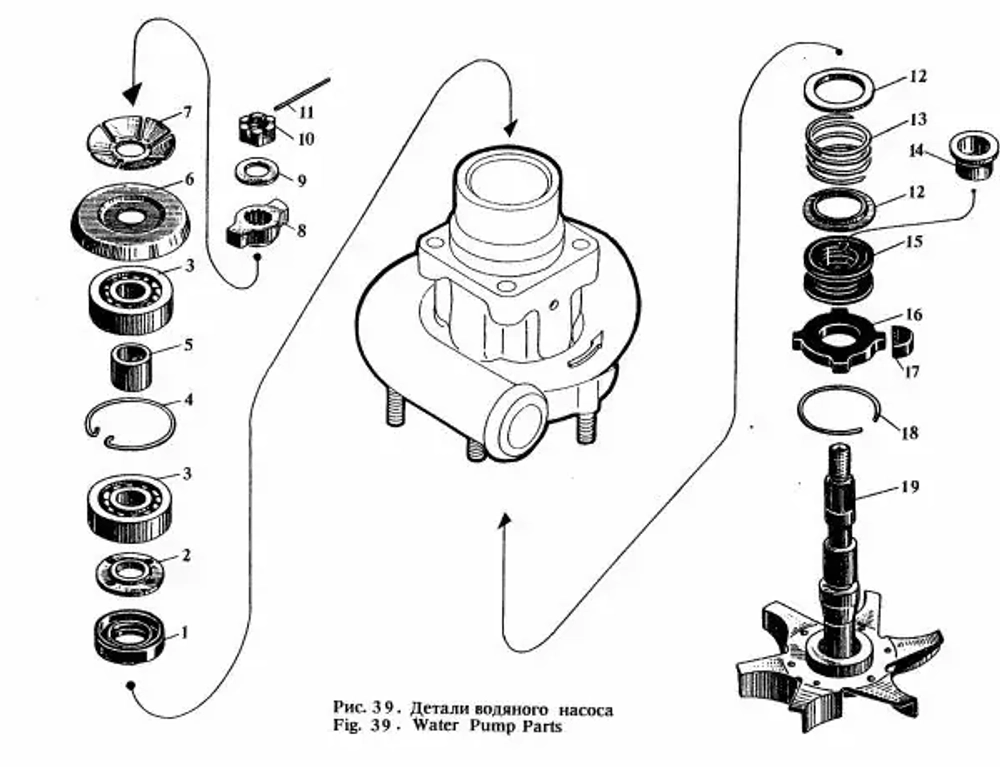
Описание
Во избежание проблем при установке валика с крыльчаткой водяного насоса СБ 511-22-55 рекомендуем обратиться к профессионалам. Это обеспечит надежную работу оборудования и продлит срок его службы. Обращайтесь к нам - наши специалисты имеют опыт работы с данным типом насосов!
Отзывы
Отзывов еще никто не оставлял
Аналогичные товары
