Описание
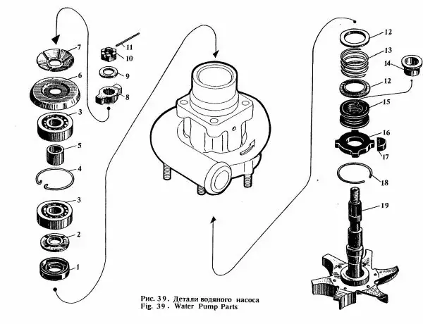
Распорная втулка 411-100 – это высококачественная деталь, обеспечивающая надежную фиксацию и стабильность работы вашего оборудования. Изготовлена из прочных материалов, она устойчива к коррозии и механическим повреждениям, что гарантирует долгий срок службы. Эта модель подходит для широкого спектра применений и облегчает монтаж благодаря своей универсальной конструкции.
Отзывы
Отзывов еще никто не оставлял
Аналогичные товары
