Описание
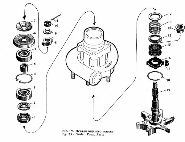
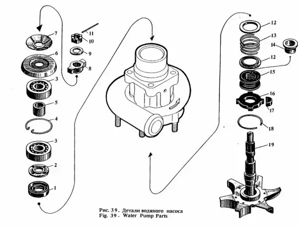
Шайба графитовая 311-13-55 обеспечивает надежную защиту от коррозии и износа благодаря использованию высококачественного графита в своем составе. Это способствует увеличению срока службы оборудования и снижению затрат на его ремонт и замену. Подходит для использования в различных отраслях промышленности, где требуется высокая устойчивость к агрессивным средам и температурам.
Отзывы
Отзывов еще никто не оставлял
Аналогичные товары
